Редукторы Ц3У (315Н, 355Н, 400Н), Ц3Н (450, 500) с зацеплением Новикова
Назначение редуктора Ц3У, 1Ц3Н
Редукторы цилиндрические трехступенчатые горизонтальные с передачами Новикова общемашиностроительного применения, тип Ц3У-315Н, Ц3У-355Н, Ц3У-400Н, 1Ц3Н-450, 1Ц3Н-500 используются в приводах различных машин и механизмов для изменения крутящих моментов и частоты вращения.
Редуктор ЦЗУ-315Н цилиндрический горизонтальный трехступенчатый с передачей Новикова общемашиностроительного применения используется в приводах различных машин и механизмов для изменения крутящих моментов и частоты вращения.
Условия эксплуатации редукторов ЦЗУ-315Н
- вращение валов в любую сторону;
- работа длительная до 24 ч. в сутки или с периодическими остановками;
- работа в непрерывном и повторно-кратковременном режимах, т. е. при переменных нагрузках с периодическими остановками,
- климатические исполнения - У1, У2, УЗ, УХЛ-4, Т1, Т2, ТЗ и О4 по ГОСТ 15150.
- нагрузка одного направления и реверсивная;
- неагрессивная среда, атмосфера типов I и II по ГОСТ 15150 при запыленности воздуха не более 10 мг/м3;
Условное обозначение редуктора цилиндрического ЦЗУ-315Н при заказе
Редуктор ЦЗУ-315Н - 100 - 12ЦК - У3, означает, что редуктор типа1Ц3Н, с межосевым расстоянием тихоходной ступени 450, передаточным числом 100, вариант сборки 12, с цилиндрическим концом быстроходного вала (ЦК) и коническим концом тихоходного вала (К), климатическим исполнением и категорией размещения УЗ.
Технические характеристики
Условное обозначение:
2. Габарит редуктора.
3. Передаточное число.
4. Вариант сборки.
5. Исполнение валов, Цвх/Квых (вх- входной вал, вых- выходной вал),
(Ц - цилиндрический вал,
К - конический вал,
Пшл - полый шлицевой вал,
Пшп- полый вал со шпоночным пазом,
М- вал в виде части зубчатой муфты).
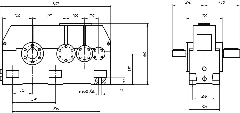
Габаритные и присоединительные размеры

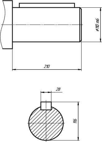
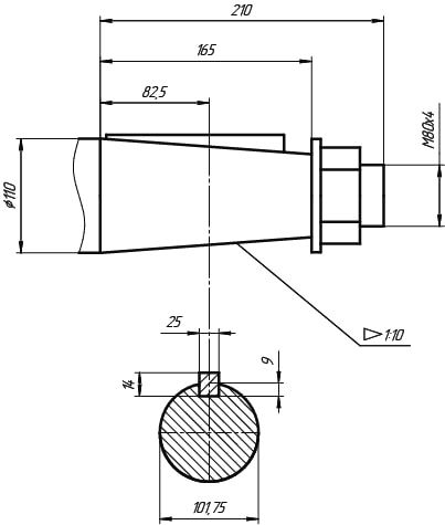
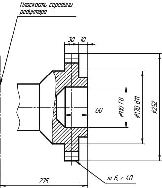
Размеры валов
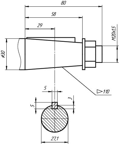
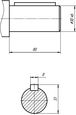
Входной цилиндрический вал Выходной цилиндрический вал
Входной конический вал Выходной конический вал
Выходной вал в виде зубчатой полумуфты Выходной вал для присоединения приборов и автоматики
Таблица подбора редуктора
| Основные технические характеристики редукторов | ||
| Наименование технических характеристик | ЦЗУ-315Н | |
| Передаточные числа | 31,5; 40; 50; 63; 80; 100; 125; 160; 200 | |
|
Допускаемая радиальная консольная нагрузка, Н |
на быстроходном валу | 1120 |
| на тихоходном валу | 31500 | |
| на т/х валу в виде зубчатой муфты | 40000 | |
|
Номинальный крутящий момент на тихоходном валу, Н.м |
10000 | |
| КПД | 0,97 | |
| Масса, кг | 580 | |
Варианты сборки
Основные Для подключения приборов и автоматики



